Giới thiệu về các ký hiệu mối hàn trên bản vẽ kỹ thuật
Một trong những điều quan trọng nhất khi bạn chuẩn bị một dự án hay một công trình nào đó. Việc đầu tiên bạn phải đọc được bản vẽ nếu bạn là một kỹ thuật tốt. Trong bản vẽ có rất nhiều các chi tiết, các ký hiệu. Mỗi loại bản vẽ đều có ký hiệu riêng.
Trong bản vẽ cơ khí, với vai trò là một người làm kỹ thuật hàn, Kỹ thuật cắt, kỹ thuật CNC thì khi đưa cho bạn bản vẽ bạn phải biết đọc các mối hàn khác nhau ,các góc khác nhau, hàn đứt quãng hay hàn liền mạch, hàn trong hay hàn ngoài. vvv. có rất nhiều các tiêu chuẩn khác nhau .Với một thợ hàn ban đầu thì có lẽ chưa thể biết hết được các ký hiệu này. Nhưng trong quá trình làm việc cũng như yêu cầu của mỗi sản phẩm, bắt buộc các bạn phải đọc được những ký hiệu này truóc khi bắt tay vào làm sản phẩm .
Hơn nữa chính trong bản vẽ đã cho ta biết rằng vật liệu đó là chất liệu gì sắt, thép, nhôm….tùy vật liệu dày hay mỏng ta sẽ có các phương pháp hàn khác nhau : Hàn liền ,hàn chấm ngắt ,Hàn ngoáy hay hàn đi tay theo kiểu cầm bút…vv..Cùng với đó là các vật liệu hàn tương ứng
Trong kỹ thuật hàn không đươc phép cho mặt trong của vật liệu bì sùi, bị chảy, biến dang... Do đó để làm tốt tránh hư hỏng vật liệu và lãng phí tiền bạc. Các bạn phải đọc thật kỹ các ký hiệu mối hàn.
Sau đây là một số hình ảnh về mối hàn.
Lưu ý: Các bạn click vào để xem ảnh gốc với chất lượng tốt hơn.
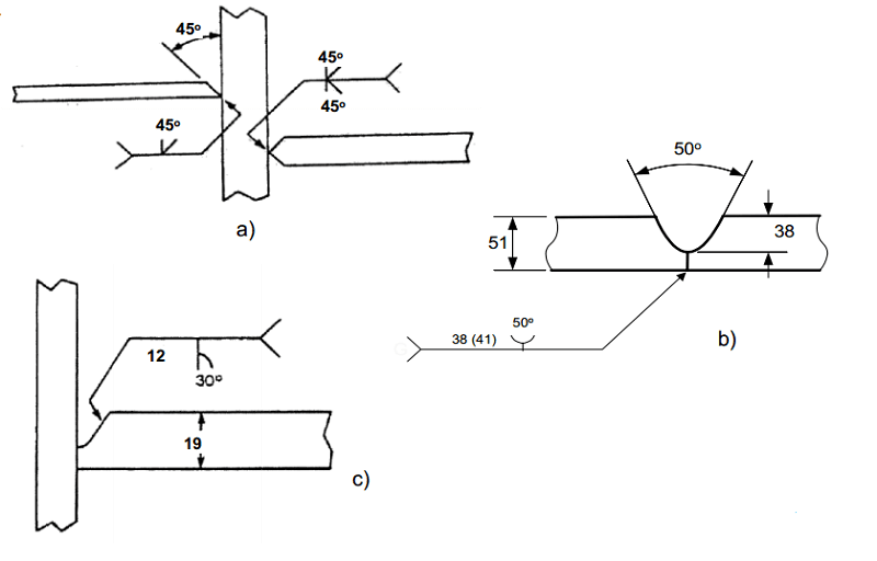
Ký hiệu mối hàn trên bản vẽ ISO 2553-1984.
Ví dụ về mối hàn góc.
Ký hiệu hàn trên bản vẽ kỹ thuật.
Ký hiệu mối hàn – AWS. Vị trí chuẩn của các yếu tố trong một ký hiệu đầy đủ.
Đường tham chiếu, mũi tên và đuôi (mối hàn góc).
Ký hiệu các mối hàn cơ bản, và ý nghĩa vị trí của chúng. Các ký hiệu bổ sung.
Ký hiệu phương pháp hàn, dạng hàn.
- T: Hàn hồ quang tay.
- Đ: Hàn tự động dưới lớp thuốc, không dùng tấm lót đệm thuốc hay hàn đính trước.
- B: Hàn bán tự động dưới lớp thuốc, không dùng tấm lót đệm thuốc hay hàn đính trước.
- Bt: Hàn bán tự động dưới lớp thuốc có tấm lót thép.
Thể hiện kích thước mối hàn góc.
Ký hiệu hoàn thiện bề mặt mối hàn.
Diễn giải gộp tất cả các phần của ký hiệu.
Ký hiệu phương pháp hàn, dạng hàn.
- T: Hàn hồ quang tay.
- Đ: Hàn tự động dưới lớp thuốc, không dùng tấm lót đệm thuốc hay hàn đính trước.
- B: Hàn bán tự động dưới lớp thuốc, không dùng tấm lót đệm thuốc hay hàn đính trước.
- Bt: Hàn bán tự động dưới lớp thuốc có tấm lót thép.
Thể hiện kích thước mối hàn góc.
Ký hiệu mối hàn giáp mối.
Ký hiệu mối hàn giáp mối có vát mép.
Ký hiệu mối hàn ngấu hoàn toàn.
Ký hiệu kiểm tra không phá hủy mối hàn.
AET – Acoustic emission:
ET – Eddy current:
LT – Leak:
MT – Magnetic particle:
NRT – Neutron radiographic:
PT – Penetrant:
DPT – Dye penetrant:
FPT – Fluorescent penetrant:
PRT – Proof test:
RT – Radiographic:
UT – Ultrasonic:
VT – Visual:
Chúc các bạn thành công!
ET – Eddy current:
LT – Leak:
MT – Magnetic particle:
NRT – Neutron radiographic:
PT – Penetrant:
DPT – Dye penetrant:
FPT – Fluorescent penetrant:
PRT – Proof test:
RT – Radiographic:
UT – Ultrasonic:
VT – Visual:
TÀI LIỆU THAM KHẢO:
GIÁO TRÌNH - Kỹ thuật mối hàn trên bản vẽ.
Một trong những điều quan trọng nhất khi bạn chuẩn bị một dự án hay một công trình nào đó. Việc đầu tiên bạn phải đọc được bản vẽ nếu bạn là một kỹ thuật tốt. Trong bản vẽ có rất nhiều các chi tiết, các ký hiệu. Mỗi loại bản vẽ đều có ký hiệu riêng.
Trong bản vẽ cơ khí, với vai trò là một người làm kỹ thuật hàn, Kỹ thuật cắt, kỹ thuật CNC thì khi đưa cho bạn bản vẽ bạn phải biết đọc các mối hàn khác nhau ,các góc khác nhau, hàn đứt quãng hay hàn liền mạch, hàn trong hay hàn ngoài. vvv. có rất nhiều các tiêu chuẩn khác nhau .Với một thợ hàn ban đầu thì có lẽ chưa thể biết hết được các ký hiệu này. Nhưng trong quá trình làm việc cũng như yêu cầu của mỗi sản phẩm, bắt buộc các bạn phải đọc được những ký hiệu này truóc khi bắt tay vào làm sản phẩm .
Hơn nữa chính trong bản vẽ đã cho ta biết rằng vật liệu đó là chất liệu gì sắt, thép, nhôm….tùy vật liệu dày hay mỏng ta sẽ có các phương pháp hàn khác nhau : Hàn liền ,hàn chấm ngắt ,Hàn ngoáy hay hàn đi tay theo kiểu cầm bút…vv..Cùng với đó là các vật liệu hàn tương ứng
Trong kỹ thuật hàn không đươc phép cho mặt trong của vật liệu bì sùi, bị chảy, biến dang... Do đó để làm tốt tránh hư hỏng vật liệu và lãng phí tiền bạc. Các bạn phải đọc thật kỹ các ký hiệu mối hàn.
Sau đây là một số hình ảnh về mối hàn.
Lưu ý: Các bạn click vào để xem ảnh gốc với chất lượng tốt hơn.
Ký hiệu mối hàn trên bản vẽ ISO 2553-1984.
Ví dụ về mối hàn góc.
Ký hiệu hàn trên bản vẽ kỹ thuật.
Ký hiệu mối hàn – AWS. Vị trí chuẩn của các yếu tố trong một ký hiệu đầy đủ.
Đường tham chiếu, mũi tên và đuôi (mối hàn góc).
Ký hiệu các mối hàn cơ bản, và ý nghĩa vị trí của chúng. Các ký hiệu bổ sung.
Ký hiệu phương pháp hàn, dạng hàn.
- T: Hàn hồ quang tay.
- Đ: Hàn tự động dưới lớp thuốc, không dùng tấm lót đệm thuốc hay hàn đính trước.
- B: Hàn bán tự động dưới lớp thuốc, không dùng tấm lót đệm thuốc hay hàn đính trước.
- Bt: Hàn bán tự động dưới lớp thuốc có tấm lót thép.
Thể hiện kích thước mối hàn góc.
Ký hiệu hoàn thiện bề mặt mối hàn.
Diễn giải gộp tất cả các phần của ký hiệu.
Ký hiệu phương pháp hàn, dạng hàn.
- T: Hàn hồ quang tay.
- Đ: Hàn tự động dưới lớp thuốc, không dùng tấm lót đệm thuốc hay hàn đính trước.
- B: Hàn bán tự động dưới lớp thuốc, không dùng tấm lót đệm thuốc hay hàn đính trước.
- Bt: Hàn bán tự động dưới lớp thuốc có tấm lót thép.
Thể hiện kích thước mối hàn góc.
Ký hiệu mối hàn giáp mối.
Ký hiệu mối hàn giáp mối có vát mép.
Ký hiệu mối hàn ngấu hoàn toàn.
Ký hiệu kiểm tra không phá hủy mối hàn.
AET – Acoustic emission:
ET – Eddy current:
LT – Leak:
MT – Magnetic particle:
NRT – Neutron radiographic:
PT – Penetrant:
DPT – Dye penetrant:
FPT – Fluorescent penetrant:
PRT – Proof test:
RT – Radiographic:
UT – Ultrasonic:
VT – Visual:
Chúc các bạn thành công!
ET – Eddy current:
LT – Leak:
MT – Magnetic particle:
NRT – Neutron radiographic:
PT – Penetrant:
DPT – Dye penetrant:
FPT – Fluorescent penetrant:
PRT – Proof test:
RT – Radiographic:
UT – Ultrasonic:
VT – Visual:
TÀI LIỆU THAM KHẢO:
GIÁO TRÌNH - Kỹ thuật mối hàn trên bản vẽ.
































%20(1).png)
.png)
.png)




Không có nhận xét nào: