Cấu tạo và nguyên lý hoạt động của máy lọc dầu chân không (Vacuum oil purifier)
Ở bài viết này EBOOKBKMT sẽ giới thiệu đến các bạn cấu tạo và nguyên lý hoạt động của máy lọc dầu chân không (Vacuum oil purifier) model TYL-50 của hãng Chongqing Hengao sử dụng để lọc dầu cho hệ thống Turbine hơi nước.
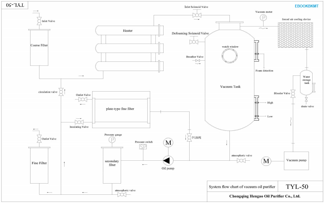
Cấu tạo.
"Click vào để xem ảnh gốc với chất lượng tốt hơn"
Các thiết bị chính của máy lọc dầu chân không bao gồm:
1. Inlet valve (Van đầu vào): Để điều chỉnh lưu lượng dầu vào bằng cách điều chỉnh độ mở van.
2. Outlet valve (Van đầu ra):
- Outlet valve (fine filter): Van đầu ra (bộ lọc tinh) - Dùng cho hệ thống lọc tuần hoàn và lọc khử nước.
- Outlet valve (plate filter): Van đầu ra (Bộ lọc tấm - Lọc giấy) - Dùng cho hệ thống lọc dầu yêu cầu nghiêm ngặt về chất lượng dầu.
3. Circulating valve (Van tuần hoàn): Để điều khiển dầu tuần hoàn trong hệ thống và lưu lượng dầu hồi lưu.
4. Breather valve (Van thông hơi): Để điều chỉnh lượng khí xâm nhập để kiểm soát độ chân không.
5. Inlet solenoid valve (Van dầu điện từ đầu vào): Van này được mở đồng thời với bơm chân không và dưới sự kiểm soát của thiết bị phát hiện bọt trong bình chân không, tức là nó sẽ đóng tạm thời khi phát hiện bất cứ sự bất thường nào ở trong bình chân không.
6. Defoaming solenoid valve (Van điện từ khử bọt): Dưới sự điều khiển của thiết bị phát hiện bọt, tức là nó sẽ được mở tạm thời để khử bọt khi phát hiện vị trí bọt bất thường trong bể và tự động đóng lại sau 10s.
7. Pressure controller (Bộ điều khiển áp suất): Được sử dụng để bảo vệ an toàn cho thiết bị. Nó sẽ tự động cắt mạch điều khiển để dừng thiết bị khi áp suất đầu ra của bơm dầu vượt quá giá trị cài đặt và cho phép còi báo động cho đến khi thực hiện reset cảnh báo bằng tay.
Các bước kiểm tra trước khi vận hành.
1. Tủ điều khiển của thiết bị phải được kiểm tra kết nối chắc chắn và cách điện tin cậy trước khi đóng điện.
2. Kiểm tra mức dầu của bơm chân không có nằm trong phạm vi cho phép không.
3. Kiểm tra xem công tắc sưởi có ở trạng thái đóng và nút điều khiển nhiệt độ trở về không. Việc kiểm tra này nên được thực hiện bất cứ khi nào thiết bị được khởi động.
4. Vận hành bơm dầu và bơm chân không bằng tay để kiểm tra chúng có bị kẹt không.
5. Bật công tắc nguồn chính, đèn báo nguồn sáng. Xoay nút dừng khẩn cấp theo chiều kim đồng hồ để bật mạch điều khiển.
6. Chiều quay phải giống như mũi tên trên bơm dầu hoặc bơm chân không. Nếu không, thứ tự pha của nguồn chính nên được đổi. Kiểm tra bằng cách bật bơm dầu hoặc bơm chân không, sau đó tắt lại ngay.
7. Đóng van nối với khí quyển (atmosphere valve), mở van thông khí (bleeder valve) và khởi động máy bơm chân không. Khi độ chân không đạt đến khoảng -0,08 Mpa, dừng bơm chân không, đóng van thông khí và quan sát độ chân không. Độ chân không về cơ bản không thay đổi trong vòng 3 - 5 phút. Nếu giảm nhẹ, nó có thể được coi là trong một phạm vi có thể kiểm soát bình thường.
Thiết bị có thể được đưa vào vận hành sau khi được kiểm tra không có vấn đề gì bất thường.
Các bước vận hành máy lọc dầu chân không.
1. Mở van dầu cấp và dầu hồi về bể dầu.
2. Cấp điện và reset nút dừng khẩn cấp (emergency button).
3. Đóng van dầu hồi từ bộ lọc về bơm dầu tuần hoàn.
4. Điều chỉnh nhiệt độ bộ heater ở mức thấp (60 - 65oC) bằng cách gạt công tắc sang bên trái và điều chỉnh núm xoay ở bên trái.
5. Điều chỉnh nhiệt độ bộ heater ở mức cao (65 - 75oC) bằng cách gạt công tắc sang phải và điều chỉnh núm xoay ở bên phải.
Đảm bảo nhiệt độ mức thấp và mức cao chênh nhau 3 - 5oC.
6. Chạy bơm chân không.
7. Điều chỉnh áp chân không trong khoảng (-0.07Mpa) - (-0.85Mpa) bằng cách điều chỉnh van thông hơi (bleeder valve).
8. Mở van đầu vào thiết bị cấp dầu cho bộ lọc. Đảm bảo mức dầu ở bình chân không nằm trong khoảng cho phép.
9. Khi mức dầu ở ống thủy ở mức cao, mở van dầu ra của thiết bị và chạy bơm tuần hoàn (van dầu ra nên mở 100% để áp suất khởi động bơm < 0.3Mpa). Khi áp suất dầu >= 0.3 Mpa bơm dầu tuần hoàn sẽ tự động dừng.
10. Điều chỉnh mức nước ở ống thủy trong khoảng hoạt động bằng van đầu vào và đầu ra.
11. Mở dần van dầu rò (Mờ từ từ để điều chỉnh tránh cạn dầu trong bể dầu rò sẽ làm không khí xâm nhập vào trong bơm).
12. Khi mức dầu trong phạm vi cho phép thì chạy bộ Heater. Khi nhiệt độ dầu đạt trên 50oC, nước trong dầu dần dần bị tách ra. Nhiệt độ càng cao thì độ chân không càng giảm và quá trình tách nước càng nhanh.
13. Trong quá trình hoạt động cần theo dõi và điều chỉnh mức nước ở ống thủy và dầu trong bể dầu rò.
Các bước dừng máy lọc dầu chân không.
1. Ngắt bộ heater. Đưa nút điều khiển nhiệt độ về 0, tiếp tục nạp dầu trong 3 ~ 5 phút.
2. Khi nhiệt độ bộ heater <= 50oC thì đóng van cấp dầu đầu vào.
3. Quan sát kính thăm nếu không còn dầu xả bên trong thì dừng bơm chân không và mở van thông hơi.
4. Mở hết van dầu rò của bộ lọc.
5. Khi dầu trong ống thủy đã hết thì dừng bơm dầu tuần hoàn và khóa van dầu đầu ra.
6. Ngắt điện đóng nút emergency.
7. Đóng van dầu cấp và dầu hồi trên bể.
Sơ đồ mạch điện.
"Click vào để xem ảnh gốc với chất lượng tốt hơn"
Các sự cố thường gặp và biện pháp khắc phục.
1. Đèn báo nguồn không hoạt động.
- Nguồn điện chưa được kết nối --> Kiểm tra nguồn điện
- Đèn báo bị hỏng --> Thay mới
- Aptomat cắt nguồn --> Đóng lại aptomat
2. Thiết bị dừng và hiển thị cảnh báo lỗi áp suất dầu đầu ra cao "High oil discharge pressure" kèm âm thanh và đèn cảnh báo.
- Bộ lọc dầu thô và bộ lọc dầu tinh bị tắc --> Cần thay thế.
3. Bơm dầu chân không và bơm dầu tuần hoàn hoạt động những bộ heater không thể khởi động.
- Cài đặt nhiệt độ tại bộ điều khiển không chính xác --> Reset
- Mạch điều khiển bị lỗi --> Kiểm tra sơ đồ mạch điện ở trên và sửa chữa.
4. Bơm dầu tuần hoàn không thể khởi động và dừng tự động khi mức dầu thay đổi.
- Hỏng cảm biến hồng ngoại báo mức dầu --> Kiểm tra và thay mới.
- Ánh sáng gây nhiễu cảm biến hồng ngoại --> Cách ly nguồn ánh sáng ảnh hưởng.
- Có vật bẩn gây tắc ống thủy báo mức --> Vệ sinh ống thủy báo mức.
- Lỗi mạch điều khiển ---> Kiểm tra sơ đồ mạch điện ở trên và sửa chữa.
5. Bơm dầu không xả được dầu hoặc lưu lượng dầu quá thấp.
- Độ chân không quá cao --> Điều chỉnh giảm áp chân không bằng van thông hơi.
- Rò rỉ dầu trên ống đầu vào máy bơm --> Dừng ktra và xử lý rò rỉ.
6. Độ sạch vẫn chưa đạt tiêu chuẩn sau khi lọc.
- Bộ lọc tinh bị hỏng hoặc thông số kỹ thuật của bộ lọc không đạt yêu cầu --> Thay mới bộ lọc hoặc chọn lõi lọc có cấp độ lọc cao hơn.
LINK 3 - TÌM KIẾM SÁCH/TÀI LIỆU ONLINE (GIÁ ƯU ĐÃI NHẤT)
LINK 4 - TÌM KIẾM SÁCH/TÀI LIỆU ONLINE (GIÁ ƯU ĐÃI NHẤT)
VIDEO THAM KHẢO:
TÀI LIỆU THAM KHẢO:
TÀI LIỆU HƯỚNG DẪN - Máy lọc dầu chân không TYL-50 (Vacuum oil purifier)
Chúc các bạn thành công!
Ở bài viết này EBOOKBKMT sẽ giới thiệu đến các bạn cấu tạo và nguyên lý hoạt động của máy lọc dầu chân không (Vacuum oil purifier) model TYL-50 của hãng Chongqing Hengao sử dụng để lọc dầu cho hệ thống Turbine hơi nước.
Cấu tạo.
"Click vào để xem ảnh gốc với chất lượng tốt hơn"
Các thiết bị chính của máy lọc dầu chân không bao gồm:
1. Inlet valve (Van đầu vào): Để điều chỉnh lưu lượng dầu vào bằng cách điều chỉnh độ mở van.
2. Outlet valve (Van đầu ra):
- Outlet valve (fine filter): Van đầu ra (bộ lọc tinh) - Dùng cho hệ thống lọc tuần hoàn và lọc khử nước.
- Outlet valve (plate filter): Van đầu ra (Bộ lọc tấm - Lọc giấy) - Dùng cho hệ thống lọc dầu yêu cầu nghiêm ngặt về chất lượng dầu.
3. Circulating valve (Van tuần hoàn): Để điều khiển dầu tuần hoàn trong hệ thống và lưu lượng dầu hồi lưu.
4. Breather valve (Van thông hơi): Để điều chỉnh lượng khí xâm nhập để kiểm soát độ chân không.
5. Inlet solenoid valve (Van dầu điện từ đầu vào): Van này được mở đồng thời với bơm chân không và dưới sự kiểm soát của thiết bị phát hiện bọt trong bình chân không, tức là nó sẽ đóng tạm thời khi phát hiện bất cứ sự bất thường nào ở trong bình chân không.
6. Defoaming solenoid valve (Van điện từ khử bọt): Dưới sự điều khiển của thiết bị phát hiện bọt, tức là nó sẽ được mở tạm thời để khử bọt khi phát hiện vị trí bọt bất thường trong bể và tự động đóng lại sau 10s.
7. Pressure controller (Bộ điều khiển áp suất): Được sử dụng để bảo vệ an toàn cho thiết bị. Nó sẽ tự động cắt mạch điều khiển để dừng thiết bị khi áp suất đầu ra của bơm dầu vượt quá giá trị cài đặt và cho phép còi báo động cho đến khi thực hiện reset cảnh báo bằng tay.
Các bước kiểm tra trước khi vận hành.
1. Tủ điều khiển của thiết bị phải được kiểm tra kết nối chắc chắn và cách điện tin cậy trước khi đóng điện.
2. Kiểm tra mức dầu của bơm chân không có nằm trong phạm vi cho phép không.
3. Kiểm tra xem công tắc sưởi có ở trạng thái đóng và nút điều khiển nhiệt độ trở về không. Việc kiểm tra này nên được thực hiện bất cứ khi nào thiết bị được khởi động.
4. Vận hành bơm dầu và bơm chân không bằng tay để kiểm tra chúng có bị kẹt không.
5. Bật công tắc nguồn chính, đèn báo nguồn sáng. Xoay nút dừng khẩn cấp theo chiều kim đồng hồ để bật mạch điều khiển.
6. Chiều quay phải giống như mũi tên trên bơm dầu hoặc bơm chân không. Nếu không, thứ tự pha của nguồn chính nên được đổi. Kiểm tra bằng cách bật bơm dầu hoặc bơm chân không, sau đó tắt lại ngay.
7. Đóng van nối với khí quyển (atmosphere valve), mở van thông khí (bleeder valve) và khởi động máy bơm chân không. Khi độ chân không đạt đến khoảng -0,08 Mpa, dừng bơm chân không, đóng van thông khí và quan sát độ chân không. Độ chân không về cơ bản không thay đổi trong vòng 3 - 5 phút. Nếu giảm nhẹ, nó có thể được coi là trong một phạm vi có thể kiểm soát bình thường.
Thiết bị có thể được đưa vào vận hành sau khi được kiểm tra không có vấn đề gì bất thường.
Các bước vận hành máy lọc dầu chân không.
1. Mở van dầu cấp và dầu hồi về bể dầu.
2. Cấp điện và reset nút dừng khẩn cấp (emergency button).
3. Đóng van dầu hồi từ bộ lọc về bơm dầu tuần hoàn.
4. Điều chỉnh nhiệt độ bộ heater ở mức thấp (60 - 65oC) bằng cách gạt công tắc sang bên trái và điều chỉnh núm xoay ở bên trái.
5. Điều chỉnh nhiệt độ bộ heater ở mức cao (65 - 75oC) bằng cách gạt công tắc sang phải và điều chỉnh núm xoay ở bên phải.
Đảm bảo nhiệt độ mức thấp và mức cao chênh nhau 3 - 5oC.
6. Chạy bơm chân không.
7. Điều chỉnh áp chân không trong khoảng (-0.07Mpa) - (-0.85Mpa) bằng cách điều chỉnh van thông hơi (bleeder valve).
8. Mở van đầu vào thiết bị cấp dầu cho bộ lọc. Đảm bảo mức dầu ở bình chân không nằm trong khoảng cho phép.
9. Khi mức dầu ở ống thủy ở mức cao, mở van dầu ra của thiết bị và chạy bơm tuần hoàn (van dầu ra nên mở 100% để áp suất khởi động bơm < 0.3Mpa). Khi áp suất dầu >= 0.3 Mpa bơm dầu tuần hoàn sẽ tự động dừng.
10. Điều chỉnh mức nước ở ống thủy trong khoảng hoạt động bằng van đầu vào và đầu ra.
11. Mở dần van dầu rò (Mờ từ từ để điều chỉnh tránh cạn dầu trong bể dầu rò sẽ làm không khí xâm nhập vào trong bơm).
12. Khi mức dầu trong phạm vi cho phép thì chạy bộ Heater. Khi nhiệt độ dầu đạt trên 50oC, nước trong dầu dần dần bị tách ra. Nhiệt độ càng cao thì độ chân không càng giảm và quá trình tách nước càng nhanh.
13. Trong quá trình hoạt động cần theo dõi và điều chỉnh mức nước ở ống thủy và dầu trong bể dầu rò.
Các bước dừng máy lọc dầu chân không.
1. Ngắt bộ heater. Đưa nút điều khiển nhiệt độ về 0, tiếp tục nạp dầu trong 3 ~ 5 phút.
2. Khi nhiệt độ bộ heater <= 50oC thì đóng van cấp dầu đầu vào.
3. Quan sát kính thăm nếu không còn dầu xả bên trong thì dừng bơm chân không và mở van thông hơi.
4. Mở hết van dầu rò của bộ lọc.
5. Khi dầu trong ống thủy đã hết thì dừng bơm dầu tuần hoàn và khóa van dầu đầu ra.
6. Ngắt điện đóng nút emergency.
7. Đóng van dầu cấp và dầu hồi trên bể.
Sơ đồ mạch điện.
"Click vào để xem ảnh gốc với chất lượng tốt hơn"
Các sự cố thường gặp và biện pháp khắc phục.
1. Đèn báo nguồn không hoạt động.
- Nguồn điện chưa được kết nối --> Kiểm tra nguồn điện
- Đèn báo bị hỏng --> Thay mới
- Aptomat cắt nguồn --> Đóng lại aptomat
2. Thiết bị dừng và hiển thị cảnh báo lỗi áp suất dầu đầu ra cao "High oil discharge pressure" kèm âm thanh và đèn cảnh báo.
- Bộ lọc dầu thô và bộ lọc dầu tinh bị tắc --> Cần thay thế.
3. Bơm dầu chân không và bơm dầu tuần hoàn hoạt động những bộ heater không thể khởi động.
- Cài đặt nhiệt độ tại bộ điều khiển không chính xác --> Reset
- Mạch điều khiển bị lỗi --> Kiểm tra sơ đồ mạch điện ở trên và sửa chữa.
4. Bơm dầu tuần hoàn không thể khởi động và dừng tự động khi mức dầu thay đổi.
- Hỏng cảm biến hồng ngoại báo mức dầu --> Kiểm tra và thay mới.
- Ánh sáng gây nhiễu cảm biến hồng ngoại --> Cách ly nguồn ánh sáng ảnh hưởng.
- Có vật bẩn gây tắc ống thủy báo mức --> Vệ sinh ống thủy báo mức.
- Lỗi mạch điều khiển ---> Kiểm tra sơ đồ mạch điện ở trên và sửa chữa.
5. Bơm dầu không xả được dầu hoặc lưu lượng dầu quá thấp.
- Độ chân không quá cao --> Điều chỉnh giảm áp chân không bằng van thông hơi.
- Rò rỉ dầu trên ống đầu vào máy bơm --> Dừng ktra và xử lý rò rỉ.
6. Độ sạch vẫn chưa đạt tiêu chuẩn sau khi lọc.
- Bộ lọc tinh bị hỏng hoặc thông số kỹ thuật của bộ lọc không đạt yêu cầu --> Thay mới bộ lọc hoặc chọn lõi lọc có cấp độ lọc cao hơn.
LINK 3 - TÌM KIẾM SÁCH/TÀI LIỆU ONLINE (GIÁ ƯU ĐÃI NHẤT)
LINK 4 - TÌM KIẾM SÁCH/TÀI LIỆU ONLINE (GIÁ ƯU ĐÃI NHẤT)
VIDEO THAM KHẢO:
TÀI LIỆU THAM KHẢO:
TÀI LIỆU HƯỚNG DẪN - Máy lọc dầu chân không TYL-50 (Vacuum oil purifier)
Chúc các bạn thành công!
 
 
 
 %20(1).png) /a>
  /a>
    
 .png) 
 
              

%20(1)%20(1).png) 
 

.jpg)


 
  
                         
                         
                         
                        %20(1).png)
.png)


.png)
 
  


Không có nhận xét nào: